Ihr Onlineshop für Lüftungs & Wetterschutzgitter

Unsere Wetterschutz und Lüftungsgitter

Für alle, die Lüftungsgitter, Wetterschutzgitter, Fenster- und Wintergartenlüftungen, Lamellenwände, Lamellenhauben oder Dachhauben einsetzen oder verarbeiten, ist rotec der richtige Partner. Neben einem umfangreichen und bewährten Produktprogramm überzeugen wir durch schnelle Verfügbarkeit und fundierte fachliche Beratung durch erfahrene Mitarbeiter.
Auf dieser Seite erhalten Sie einen übersichtlichen Einblick in unser Sortiment an Lüftungsgittern. Zu jedem Produkt finden Sie eine kurze, präzise Beschreibung direkt am Produktbild. Über den jeweiligen Link gelangen Sie unmittelbar zu unserem Konfigurator und können Ihre Gitter bequem und passgenau online bestellen.

Lüftungsgitter W11 

Hergestellt aus: Alu-Strangpressprofilen Al Mg Si 0,5
Eloxiert: silberfarbig - bronzefarbig (20 Micron)
Pulverbeschichtet: nach RAL - Farbtönen (60 - 70 Micron)
Insektenschutzgitter aus: Edelstahl V2A 2,3 x 2,3 mm 
Einbautiefe: 28,5 mm
Überfalzmaß: 21 mm
Mindestmaße: 80 x 80 mm
Optischer freier Querschnitt: 59%
Physischer freier Querschnitt: 44%
K-faktor: 19,04
Optional: Wasserabflussrinne
Befestigung mit Klipsfeder Nr. 419 oder Maueranker Nr. 418 können auf Anfrage mitgeliefert werden

Lüftungsgitter W12 

Hergestellt aus: Alu-Strangpressprofilen Al Mg Si 0,5
Eloxiert: silberfarbig - bronzefarbig (20 Micron)
Pulverbeschichtet: nach RAL - Farbtönen (60 - 70 Micron)
Insektenschutzgitter aus: Edelstahl V2A 2,3 x 2,3 mm
Einbautiefe: 28,5 mm
Überfalzmaß: 21 mm
Mindestmaße: 80 x 80 mm
Optischer freier Querschnitt: 59%
Physischer freier Querschnitt: 39%
K-faktor: 19,04
Optional: Wasserabflussrinne
Befestigung mit Klipsfeder Nr. 419 oder Maueranker Nr. 418 können auf Anfrage mitgeliefert werden

Lüftungsgitter W14 

Hergestellt aus: Alu-Strangpressprofilen Al Mg Si 0,5
Eloxiert: silberfarbig - bronzefarbig (20 Micron)
Pulverbeschichtet: nach RAL- Farbtönen (60 - 70 Micron)
Insektenschutzgitter aus: Edelstahl V2A - 2,3 x 2,3 mm (6 x 6 mm Maschenteilung - auf Anfrage)
Rundum: 24 mm Einspannstärke
Angaben bei Bestellung: Totalmaß Breite x Höhe in mm
Mindestmaße: 130 x 130 mm
Optischer freier Querschnitt: 59%
Physischer freier Querschnitt: 43%
K-faktor: 19,04
Optional: W14 / VA dosierbares Lüftungsgitter für Rahmeneinbau, Wasserabflussrinne
Befestigung: Einbau wie Doppelglasscheibe, Einsatz von Klotzbrücken wird empfohlen

Lüftungsgitter W15 

Material: Hergestellt aus Aluminiumprofilen: AlMgSi 0,5 (gemäß EN 12020-2)
Insektenschutz aus: Edelstahl (Maschenteilung auf Anfrage)
Eloxiert: Silberfarbig (E6/EV1) - bronzefarbig (E6/C34) (20 Mikron) eloxiert oder pulverbeschichtet nach RAL-Farbtönen (60-80 Mikron)
Lamellenabstand: 20 mm
Einspannstärke: 24, 28 oder 32 mm
Mindestmaße: 130 x 130 mm
Bitte bei Bestellung der Lüftungsgitter angeben: Breite x Höhe in mm (Gesamtmaße)

Lüftungsgitter W21

Hergestellt aus: ALU-Strangpressprofilen AlMgSi 0,5
Eloxiert: silberfarbig - dunkelbronze (20 Micron)
Pulverbeschichtet: nach RAL - Farbtönen (60 - 70 Micron)
Insektenschutzgitter aus: Edelstahl V2A - 2,3 x 2,3 mm (6 x 6 mm Maschenteilung auf Anfrage)
Einbautiefe: 46 mm
Überfalzmaß: 40 mm
Mindestmaße: 150 x 150 mm
Optischer freier Querschnitt: 70%
Physischer freier Querschnitt: 49%
K-faktor: 12,57
Optional: Wasserabflussrinne
Befestigung: Maueranker Nr. 1428 kann auf Anfrage mitgeliefert werden

Lüftungsgitter W22

Hergestellt aus: Aluminiumprofilen AlMgSi 0,5 (gemäß EN 12020-2)
Insektenschutz aus: Edelstahl 304, (Maschenteilung auf Anfrage)
Eloxiert: Silberfarbig (E6/EV1) - bronzefarbig (E6/C34) (20 Mikron) eloxiert oder pulverbeschichtet nach RAL-Farbtönen (60-80 Mikron)
Befestigung der Lüftungsgitter:  Maueranker Nr. 1428
Für Lüftungsgitter ab ungefähr 3 m⊃2; ist eine bauseitige Unterkonstruktion notwendig, passend zur Spannweite und Windlast

Lüftungsgitter W24

Hergestellt aus: ALU-Strangpressprofilen AlMgSi 0,5
Eloxiert: silberfarbig - dunkelbronze (20 Micron)
Pulverbeschichtet: nach RAL - Farbtönen (60 - 70 Micron)
Insektenschutzgitter aus: Edelstahl V2A - 2,3 x 2,3 mm, (6 x 6 mm Maschenteilung auf Anfrage)
Rundum: 24 mm Einspannstärke
Angeben bei Bestellung: Totalmaß Breite x Höhe in mm Mindestmaße: 220 x 220 mm
Optischer freier Querschnitt: 70%
Physischer freier Querschnitt: 47%
K-faktor: 12,57
Optional: Dosierbar: Typ 424/VA - gleiche Ausführung wie, Typ 414/VA, Wasserabflussrinne Befestigung: Einbau wie Doppelglasscheibe, Einsatz von
Klotzbrücken wird empfohlen

Lüftungsgitter W28

mittelschwere Ausführung
Hergestellt aus: ALU Strangpressprofilen Al Mg Si 0,5
Eloxiert: silberfarbig - dunkelbronze (20 Micron)
Pulverbeschichtet: nach RAL-Farbtönen (60-70 Micron)
Insektenschutz aus: Edelstahl V2A - 2,3 x 2,3 mm, Maschenteilung (6 x 6 mm auf Anfrage)
Anschlagrahmen: 24 mm
Angeben bei Bestellung: Totalmaß Breite x Höhe in mm
Mindestmaße: 220 x 220 mm
Optischer freier Querschnitt: 60%
Physischer freier Querschnitt: 43%
K-faktor: 61,04
Optional: Abschließbar: Typ W28/VA - gleiche Ausführung wie Typ W14/VA, Wasserabflussrinne

Lüftungsgitter W80

hoher physischer freier Querschnitt
Hergestellt aus: ALU-Strangpressprofilen AlMgSi 0,5
Eloxiert: silberfarbig - bronzefarbig (20 Micron)
Pulverbeschichtet: nach RAL - Farbtönen (60 - 80 Micron)
Insektenschutzgitter aus: Edelstahl V2A - 2,3 x 2,3 mm, (6 x 6 mm Maschenteilung auf Anfrage)
Angeben bei Bestellung: Totalmaß Breite x Höhe in mm
Mindestmaße: 300 x 300 mm
Optischer freier Querschnitt: 90%
Physischer freier Querschnitt: 76%
K-faktor: 4,81

Lüftungsgitter W81

Hergestellt aus: Alu-Strangpressprofilen Al Mg Si 0,5
Eloxiert: silberfarbig - bronzefarbig (20 Micron)
Pulverbeschichtet: nach RAL - Farbtönen (60 - 70 Micron)
Insektenschutzgitter aus: Edelstahl V2A 2,3 x 2,3 mm
Einbautiefe: 28,5 mm
Überfalzmaß: 21 mm
Mindestmaße: 80 x 80 mm
Optischer freier Querschnitt: 59%
Physischer freier Querschnitt: 39%
K-faktor: 19,04
Optional: Wasserabflussrinne
Befestigung: mit Klipsfeder Nr. 419 oder Maueranker Nr. 418 können auf Anfrage mitgeliefert werden

Lüftungsgitter W83

Hergestellt aus: Aluminiumprofilen: AlMgSi 0,5 (gemäß EN 12020-2)
Insektenschutz aus: Edelstahl 304, Maschenteilung auf Anfrage
Eloxiert: Silberfarbig (E6/EV1) - bronzefarbig (E6/C34) (20 Mikron) eloxiert oder
pulverbeschichtet: nach RAL-Farbtönen (60-80 Mikron)
Lamellenabstand: 60 mm
Einspannstärke: 24 mm (Einspannstärke von 8 bis 50 mm auf Anfrage)
Bitte bei Bestellung angeben: Breite x Höhe in mm (Gesamtmaße)
Mindestmaße: 385 x 385 mm

Lüftungsgitter W84

mittelschwere Ausführung
technische Angaben: Hergestellt aus ALU-Strangpressprofilen AlMgSi 0,5
Eloxiert: silberfarbig - dunkelbronze (20 Micron)
Pulverbeschichtet: nach RAL - Farbtönen (60 - 70 Micron)
Insektenschutzgitter aus: Edelstahl V2A - 2,3 x 2,3 mm, (6 x 6 mm Maschenteilung auf Anfrage)
Rundum: 24 mm Einspannstärke
Angeben bei Bestellung: Totalmaß Breite x Höhe in mm
Mindestmaße: 220 x 220 mm
Optischer freier Querschnitt: 92%
Physischer freier Querschnitt: 60%
K-faktor: 8,03
Optional: Dosierbar: Typ W84/VA - gleiche Ausführung wie Typ W14/VA, Wasserabflussrinne

Lüftungsgitter W31

Hergestellt aus: ALU-Strangpressprofilen Al Mg Si 0,5
Eloxiert: silberfarbig - bronzefarbig (20 Micron)
Pulverbeschichtet: nach RAL - Farbtönen (60 - 70 Micron)
Insektenschutzgitter aus: Edelstahl V2A 2,3 x 2,3 mm, (6 x 6 mm Maschenteilung auf Anfrage)
Aufbauhöhe auf der Wand: 29 mm (Nr. 431) - 40 mm (Nr. 432)
Mindestmaße: 120 x 120 mm B x H
Optischer freier Querschnitt: 59 %
Physischer freier Querschnitt: 44 %
K-faktor: 19,04

Lüftungsgitter W31RC2

Hergestellt aus: Alu-Strangpressprofilen Al Mg Si 0,5
Eloxiert: silberfarbig - bronzefarbig (20 Micron)
Pulverbeschichtet: nach RAL - Farbtönen (60 - 70 Micron)
Insektenschutzgitter aus: Edelstahl V2A 2,3 x 2,3 mm
Einbautiefe: 28,5 mm
Überfalzmaß: 21 mm
Mindestmaße: 80 x 80 mm
Optischer freier Querschnitt: 59%
Physischer freier Querschnitt: 39%
K-faktor: 19,04
Optional: Wasserabflussrinne
Befestigung mit Klipsfeder Nr. 419 oder Maueranker Nr. 418 können auf Anfrage mitgeliefert werden

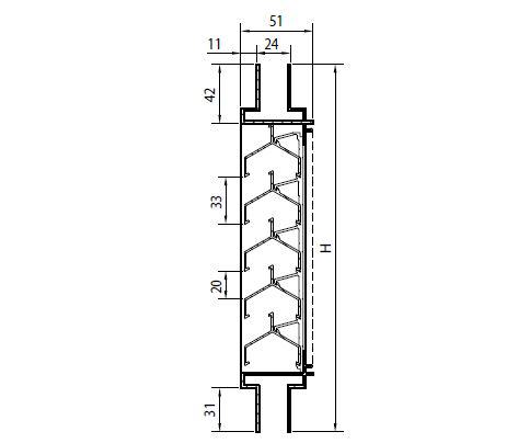
Lüftungsgitter W45/86

Material: Hergestellt aus Aluminiumprofilen: AlMgSi 0,5 (gemäß EN 12020-2)
Insektenschutz aus Edelstahl 304 (Maschenteilung auf Anfrage)
Silberfarbig (E6/EV1) - bronzefarbig (E6/C34) (20 Mikron) eloxiert oder pulverbeschichtet nach RAL-Farbtönen (60-80 Mikron)
100 % korrosionsbeständig
Maße: Lamellenabstand: 60 mm
Maße: Einbautiefe: 81,5 mm
Überfalzmaß: 50 mm
Höhe in Schritten von 60 mm (Abstand zwischen Lamellen)
Mindestmaße: 200 x 200 mm
Befestigung: Maueranker Nr. W429 (nicht im Lieferumfang enthalten)
Optionen: Wasserabflußrinne
Wasserschenkel
Abnehmbarer Insektenschutz
Eigenschaften:  Die schalldämmenden Eigenschaften der Renson®-Lamellen wurden vom international anerkannten IFT Labor Rosenheim (Deutschland) geprüft.
Die Wasserdichtigkeit wurde von den BSRIA-Labors geprüft